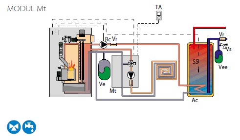
Mt
Hydraulický modul v kompaktním, krytém provedení pro montáž na stěnu je osazen:
- 1 ks elektronicky řízeného oběhového čerpadla
- 1 ks termostatický směšovací ventil
- elektronický blok řízení připravený pro připojení signálním kabelem ke kotli
- propojovací potrubí a šroubení 1“ pro připojení hydraulických prvků
Modul je určen pro
- 1 směšovaný otopný okruh s výstupní teplotou nastavitelnou na modulu
Modul udržuje požadovanou teplotu otopné vody v připojeném směšovaném otopném okruhu
a řídí činnost čerpadla.


